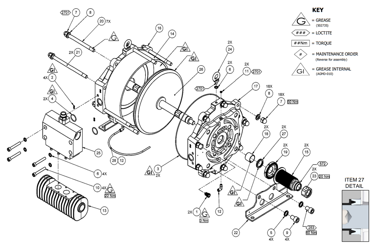
Binks Maple Pump Air Motor Assembly 15/25
Binks Maple Pump Air Motor Assembly 15/25
Manufacturer: Carlisle Binks
Part #: 195816-K
Description: Binks Maple Pump Air Motor Assembly 15/25. Components for the air motor assembly can be purchased individually on the Maple 15/25 spare parts list.
Payment & Security
Payment methods
Your payment information is processed securely. We do not store credit card details nor have access to your credit card information.
