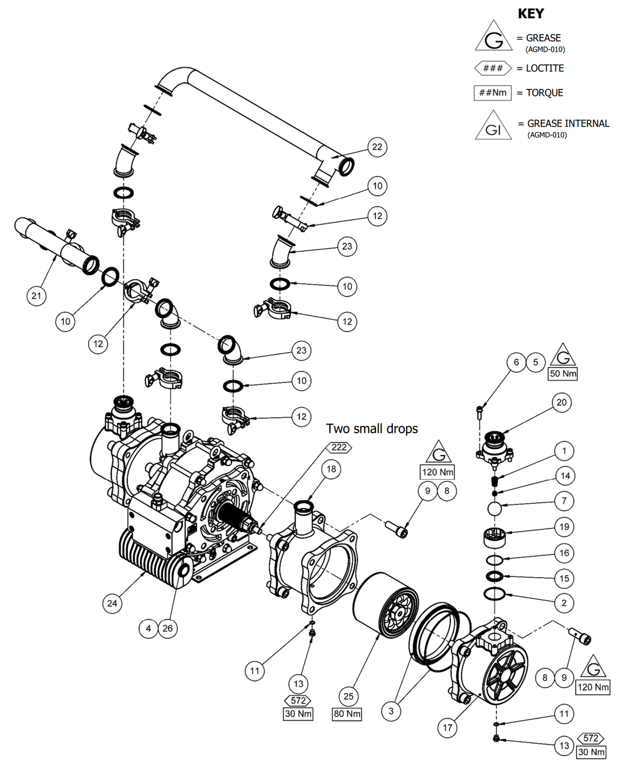
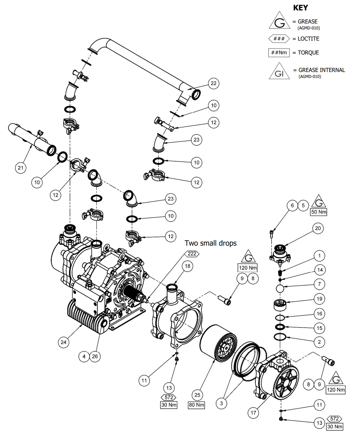
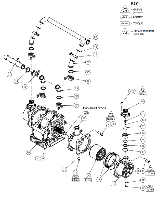
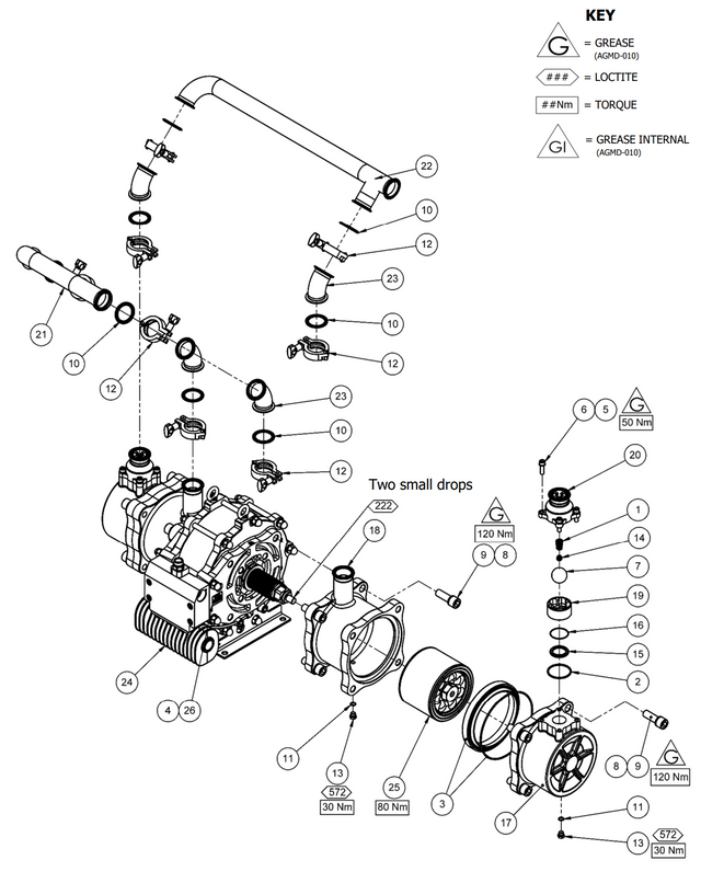
Binks Maple Pump Outlet Check
Binks Maple Pump Outlet Check
Manufacturer: Carlisle Binks
Part #: 195783
Description: Binks Maple Pump Outlet Check Ref. No. 20
Payment & Security
Payment methods
Your payment information is processed securely. We do not store credit card details nor have access to your credit card information.
