Sames® 129-253-100 Air Adjuster, ATX Automatic AIRMIX®
Air Adjuster
Manufacturer: SAMES®
OEM Part #: 129-253-100 or 129.253.100
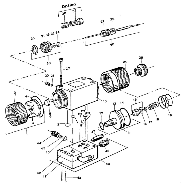
Description: Air Adjuster for ATX Automatic AIRMIX® spray guns. Ref. No. 44
Total Finishing Supplies Non-OEM Parts for Kremlin® Brand Equipment Disclaimer
Total Finishing Supplies obtains 129-253-100 Air Adjuster from a SAMES® distributor but has no affiliation with and is not itself an authorized distributor of Sames Kremlin Inc. or any of its affiliates.
Total Finishing Supplies Non-OEM Aftermarket Parts are not manufactured or warranted by EXEL Industries SA, Sames Kremlin SA, Sames Kremlin Inc. Nor is Total Finishing Supplies affiliated with, endorsed by, sponsored by, or authorized as a distributor by these companies, KREMLIN® and XCITE® are registered trademarks of Sames Kremlin SA and EXEL Industries SA, respectively. Sames Kremlin SA claims rights in the marks ATX and AVX.
Total Finishing Supplies is the leading distributor of paint application and finishing equipment
Payment & Security
Payment methods
Your payment information is processed securely. We do not store credit card details nor have access to your credit card information.
