Carlisle Binks
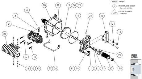
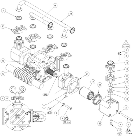
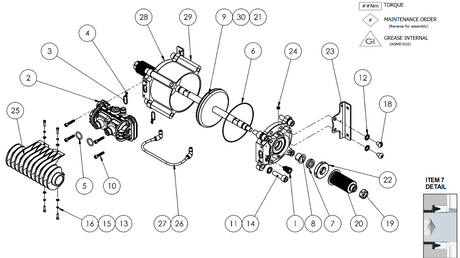
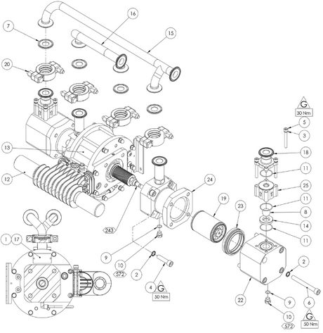
Binks Maple 15 Pump Air Motor End Plate Machining
Regular priceUnit price /UnavailableCarlisle Binks
Binks Maple 15 Pump Fluid Piston Assembly Ball Cage
Regular priceUnit price /UnavailableCarlisle Binks
Binks Maple 15 Pump Fluid Piston Ball Check Spring
Regular priceUnit price /UnavailableCarlisle Binks
Binks Maple 15 Pump Fluid Piston Inlet Spring Keep
Regular priceUnit price /Unavailable