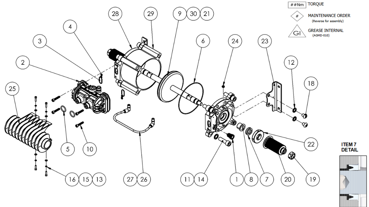
Binks Maple 15 Pump Air Motor Piston
Regular price
Unit price
/
Unavailable
Shipping calculated at checkout.
Binks Maple 15 Pump Air Motor Piston
Manufacturer: Carlisle Binks
Part Number: 192832
Description: Air Piston
Payment & Security
Payment methods
Your payment information is processed securely. We do not store credit card details nor have access to your credit card information.

