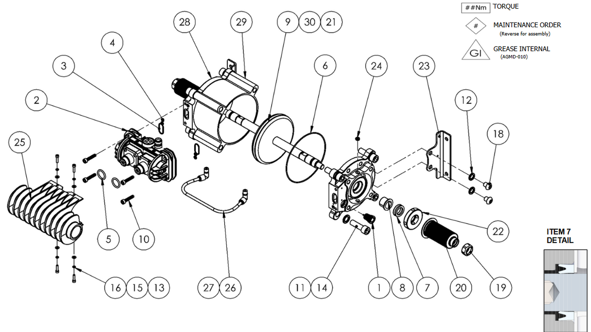
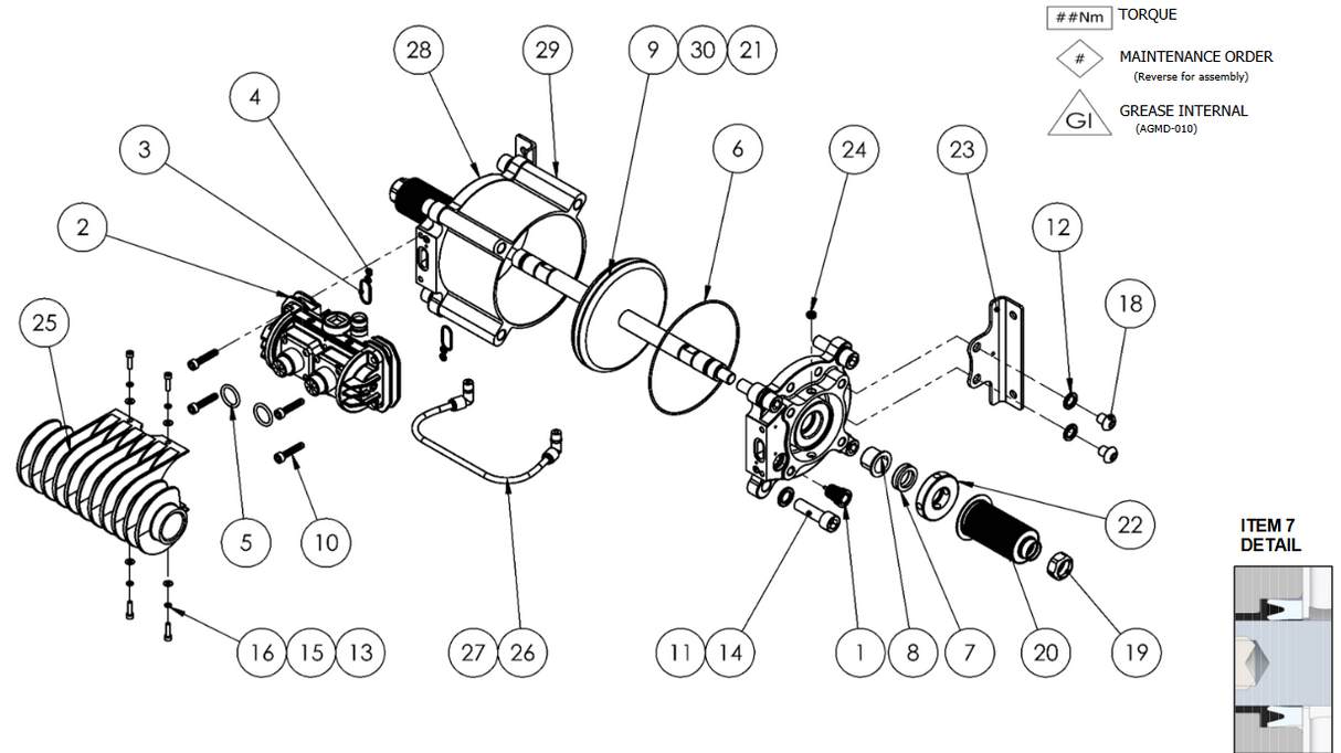
Cilindro de motor de aire de bomba Binks Maple 15
Cilindro de motor de aire de bomba Binks Maple 15
Fabricante: Carlisle Binks
Número de pieza: 192831
Descripción: Cilindro de aire
Payment & Security
Payment methods
Your payment information is processed securely. We do not store credit card details nor have access to your credit card information.

