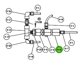
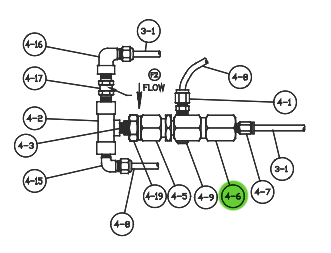
ADAPTADOR DE VÁLVULA CCV-12-SS DE RANSBURG
ADAPTADOR DE VALVULA
Fabricante: Carlisle Ransburg
Número de pieza: CCV-12-SS
Descripción: ADAPTADOR DE VALVULA
Payment & Security
Payment methods
Your payment information is processed securely. We do not store credit card details nor have access to your credit card information.

