Shop by Brand
Carlisle Ransburg
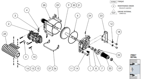
Barril Ransburg Ransflex RX (incluye juntas tóricas)
Precio normalPrecio unitario /AgotadoCarlisle Ransburg
Boquilla para fluidos industriales Ransburg A13645-XX
Precio normal DesdePrecio unitario /AgotadoCarlisle DeVilbiss
Pistola pulverizadora compacta DeVilbiss MINI
Precio normalPrecio unitario /AgotadoC.A. Technologies
Pistola pulverizadora de aire Lynx L200H HVLP
Precio normalPrecio unitario /AgotadoBecca
Sistema de lata de chorro de disolvente "limpio para desechar"
Precio normalPrecio unitario /AgotadoTFS OEM SAMES Kremlin
Precio normalPrecio unitario /AgotadoTotal Finishing Supplies
Pistola pulverizadora con alimentación a presión Anest Iwata WIDER2L: compatible con HVLP
Precio normal DesdePrecio unitario /AgotadoSATA
Juego de boquillas SATAjet 1000 K RP con superficie que prolonga la vida útil
Precio normalPrecio unitario /AgotadoSATA
Juegos de boquillas RP con tratamiento especial SATAjet 1000 K
Precio normalPrecio unitario /AgotadoARO
Kit de servicio de la sección de fluido (bola de PTFE/diafragma)
Precio normalPrecio unitario /AgotadoARO
Kit de servicio de la sección de fluido (diafragma de Santoprene/bola de PTFE)
Precio normalPrecio unitario /Agotado




















































