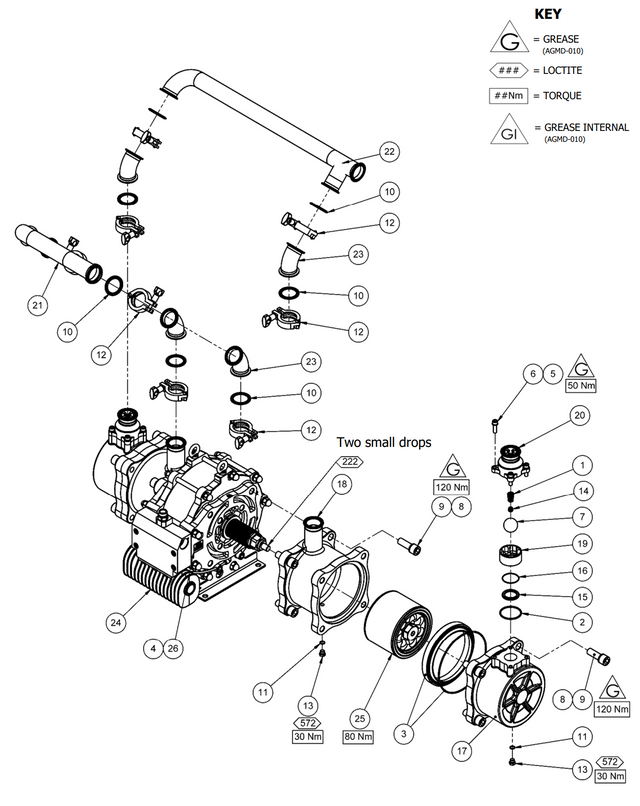
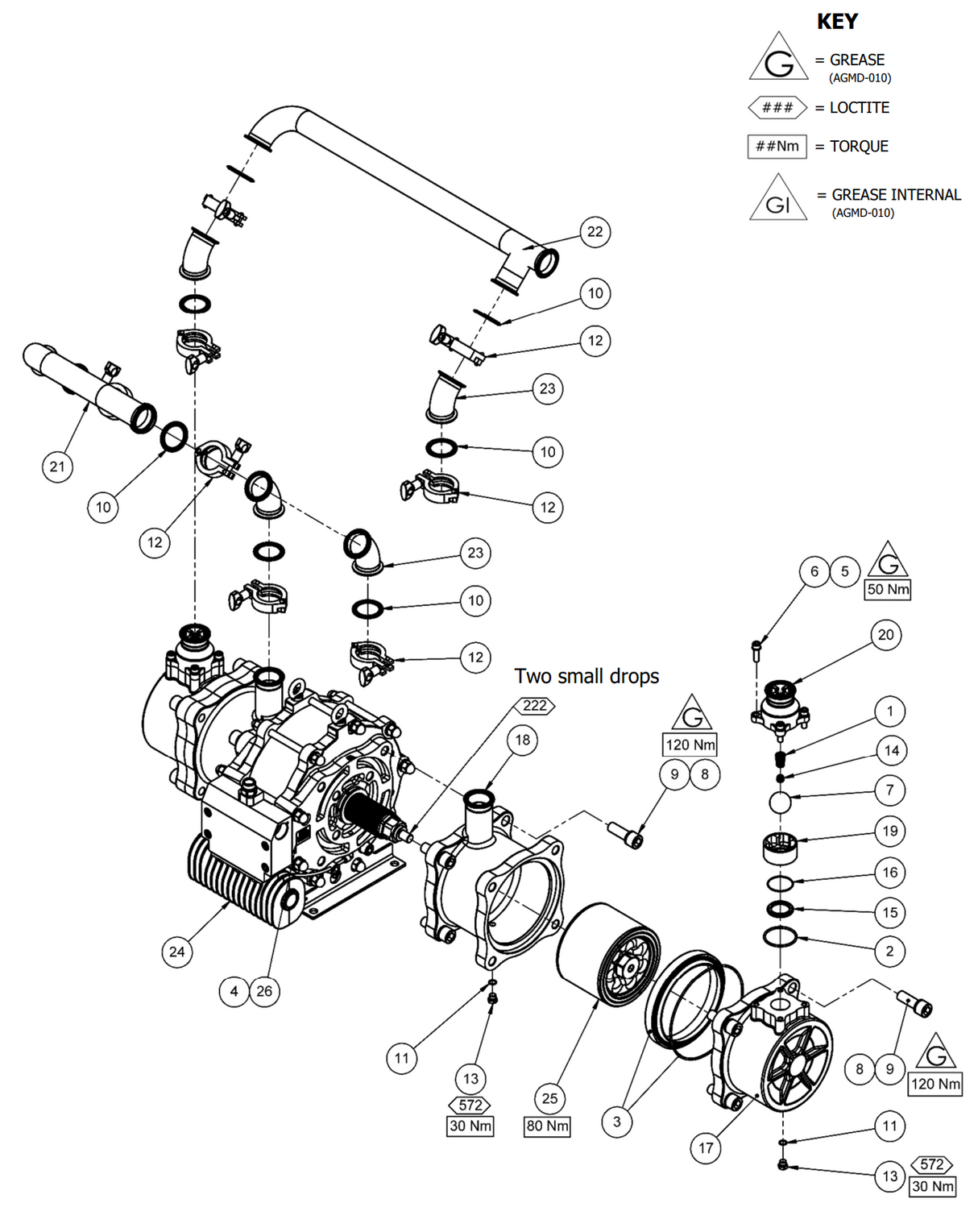
Binks Maple Pump Inlet Cylinder
Binks Maple Pump Inlet Cylinder
Manufacturer: Carlisle Binks
Part #: 195781
Description: Binks Maple Pump Inlet Cylinder Machining Ref. No. 18
Payment & Security
Payment methods
Your payment information is processed securely. We do not store credit card details nor have access to your credit card information.
