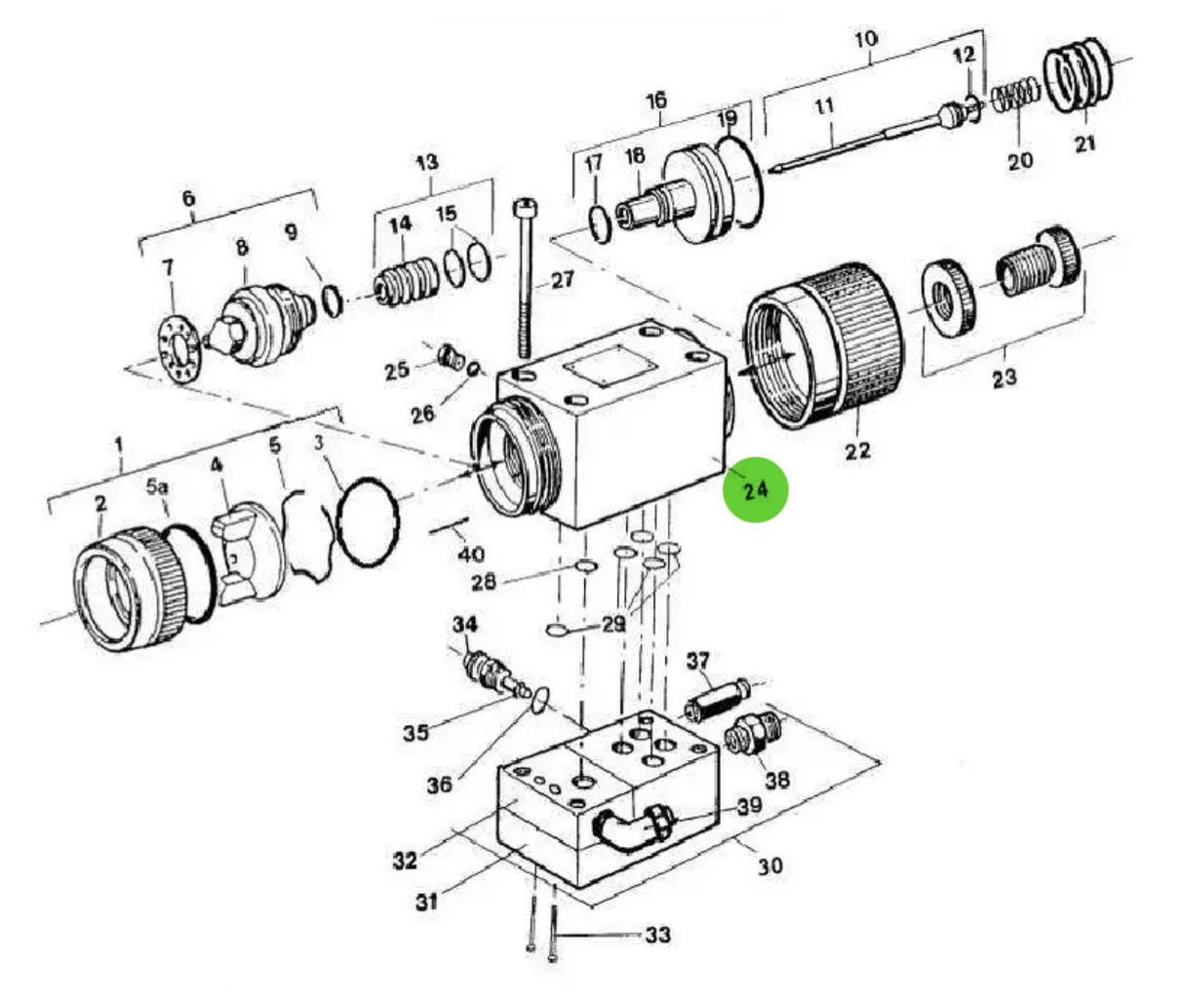
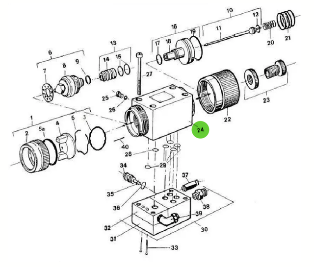
Sames® 129-268-020 Body; A 25 HTi Spray Gun
Body; A 25 HTi Spray Gun
Manufacturer: SAMES®
OEM Part Number: 129-268-020 or 129.268.020
Description: Body; A 25 HTi Spray Gun
Ref. No. 24
Total Finishing Supplies Non-OEM Parts for Kremlin® Brand Equipment Disclaimer
Total Finishing Supplies obtains 129-268-020 Body; A 25 HTi Spray Gun from a SAMES® distributor but has no affiliation with and is not itself an authorized distributor of Sames Kremlin Inc. or any of its affiliates.
Total Finishing Supplies Non-OEM Aftermarket Parts are not manufactured or warranted by EXEL Industries SA, Sames Kremlin SA, Sames Kremlin Inc. Nor is Total Finishing Supplies affiliated with, endorsed by, sponsored by, or authorized as a distributor by these companies, KREMLIN® and XCITE® are registered trademarks of Sames Kremlin SA and EXEL Industries SA, respectively. Sames Kremlin SA claims rights in the marks ATX and AVX
Payment & Security
Payment methods
Your payment information is processed securely. We do not store credit card details nor have access to your credit card information.
