Non-OEM Parts for Sames® ATX Automatic Airmix® Spray Gun
TFS offers the Non-OEM parts you need to maintain your Sames® and Kremlin® equipment. We refer to brand names and part numbers of the original equipment manufacturers (OEM) — Sames® Kremlin® SA and Exel Industries SA—to educate you about our products.
If you use Sames® or Kremlin® paint equipment, including spray guns and pumps, you can buy Non-OEM replacement parts from TFS. We sell a variety of high-quality, affordable Non-OEM parts compatible for Sames® and Kremlin® equipment to deliver the superior finishing results you desire.
TFS Non-OEM parts are manufactured specifically for us by independent manufacturers—not by Sames® Kremlin® SA or Exel Industries SA. That is how we are able to provide you the same EXCEPTIONAL quality at a lower price.
We provide Non-OEM parts for the Sames® ATX Automatic Airmix® Spray Gun to benefit your business.
-
Cost-Effectiveness: TFS Non-OEM parts are more affordable than OEM parts, making them an economical choice for businesses looking to reduce operational costs without sacrificing quality.
-
Quality and Reliability: Our Sames® ATX Automatic Airmix® Spray Gun replacement parts meet or exceed industry standards, ensuring reliable performance and longevity.
-
Availability: Non-OEM parts are typically more readily available, reducing lead times and ensuring that your equipment is back up and running swiftly, which is critical for maintaining continuous operations.
-
Compatibility: Our Non-OEM parts are designed to be fully compatible with the Sames® ATX Automatic Airmix® Spray Gun, ensuring seamless integration and optimal performance. This compatibility means users can maintain their equipment without worrying about fit or function issues.
-
Performance: By providing high-quality replacement parts, we ensure that the Sames® ATX spray gun continues to operate at peak efficiency so you can achieve consistent and high-quality finishes in various applications.
If you're looking to replace your ATX gun, check out the TFS Auto VIPER-X® AAA spray gun! The Auto VIPER-X®is comparable to the Sames® AVX and ATX guns and uses our Non-OEM Standard and Ultra Fine Finish tips, seals, air cap, and diffuser. Plus, it is only $899 shipped!
NOTES:
KREMLIN®, AIRMIX®, and Xcite® are registered Sames Kremlin SA or Exel Industries SA, and the same companies may claim unregistered trademark rights in other words. The advertised parts are intended to fit KREMLIN® and Xcite® spray equipment. They are not, however, manufactured, endorsed, or sponsored by Sames Kremlin SA or Exel Industries SA or any of their affiliates, and no warranty by Sames Kremlin SA, Exel Industries SA, or any of their affiliates applies. Total Finishing Solutions, LLC is not affiliated with or sponsored or endorsed by Sames Kremlin SA or Exel Industries SA and is not one of their authorized distributors.
Non-OEM Parts for Sames® ATX Automatic Airmix® Spray Gun - Site Navigation
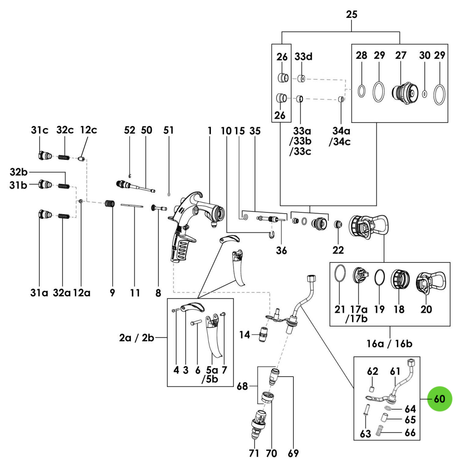
Sames® ATX Parts Breakdown:
Item numbers highlighted in Green are exceptional quality, Non-OEM parts from TFS

| Ref. No. |
Part No. |
Description |
| 1 |
397951350 |
BX16 Aircap Assembly |
|
397951650 |
BX116 Aircap Assembly |
| 2 |
032-020-001 |
Aircap ring |
| 4 |
450120927 |
Seal, ring (pack of 10) |
| 5 |
4035XXXX12 |
Standard Tip |
|
12105XX18 |
Ultra Series Fine Finish Tip |
|
4035XXXX17 |
70/30 Asymmetrical Fan Spray Tip |
| 6a |
388829703 |
Microfilter (pack of 10) |
| 6b |
388589709 |
Seal, tip (pack of 10) |
| 8 |
388575276 |
Seal (pack of 10) |
| 9 |
387755973 |
Teflon Seal (pack of 10) |
| 10 |
029-626-501 |
Gun body, stainless steel |
| 11 |
129-251-200 |
Piston assembly |
| 12 |
387755976 |
Seal, R8 (pack of 10) |
| 14 |
387754017 |
Seal, R22 (pack of 10) |
| 15 |
088878600 |
Retainer, needle |
| 16 |
388202745 |
Seal, R5a (pack of 10) |
| 17 |
087753909 |
Nut, special |
| 18 |
050-318-201 |
Spring, fluid needle |
| 19 |
050-313-504 |
Spring, piston |
| 20 |
029-266-002 |
Fluid leakage detector |
| 21 |
388589709 |
O-Ring (pack of 10) |
| 22 |
930-151-548 |
Screw, CHc M 6 x 50 |
| 24 |
029-251-401 |
Cylinder |
| 25 |
029-625-301 |
Adjustment knob |
| 26 |
388878300 |
Cartridge assembly |
| 28 |
388589718 |
Seal, FPM (fluorous elastomers) (pack of 10) |
| 30 |
388829706 |
Seat-holder assembly |
| 31 |
029-620-501 |
Seat-holder |
| 32 |
129-629-923 |
Seat with seal (stainless steel) (pack of 2) |
| 33 |
388889766 |
Seal, seat (pack of 10) |
| 34 |
088800318 |
Screw |
| 35 |
388829706 |
Seal, seat-holder (pack of 10) |
| 36 |
388889742 |
O-Ring (pack of 10) |
| 37 + 38 |
129-629-90X
|
Support and screen (pack of 2) |
| 43 |
933-151-221 |
Screw CHc M 5x16 |
| 44 |
129-253-100 |
Air adjuster |
| 45 |
388589754 |
O-Ring (pack of 10) |
| 46 |
129-529-907 |
O-Ring (pack of 10) |
| 47 |
905-124-901 |
Fitting, quick release (control) M 1/8 BSP- T 4x6 |
| 48 |
050-102-624 |
Fitting (air) - double male 1/4 BSP - 1/4 NPS |
| 49 |
051-585-151 |
Elbow fitting, corrosion resistant- double male |
| 60 |
049-351-000 |
Mounting rod |