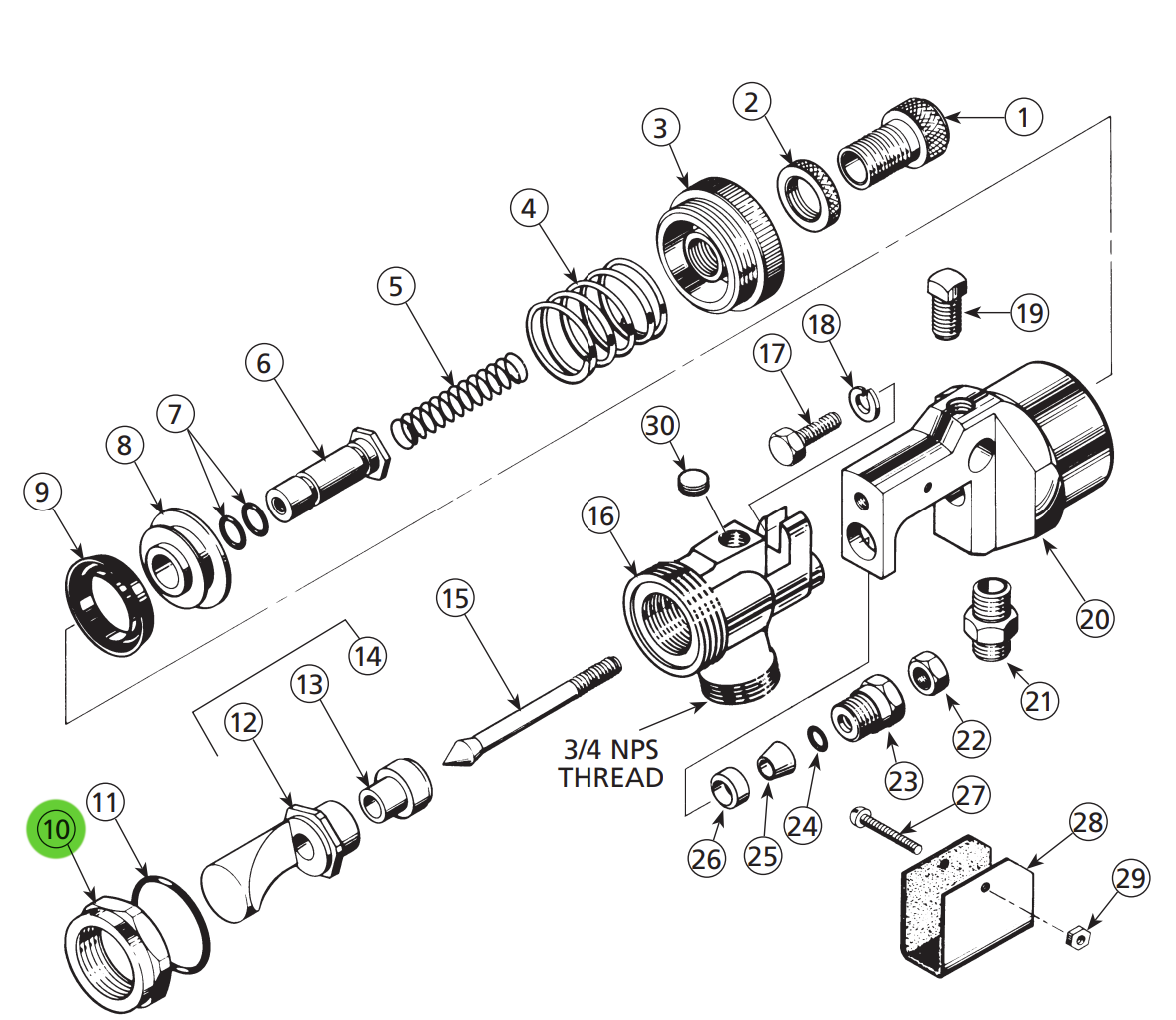
Retainer Ring
Manufacturer: Carlisle Binks
Part #: 52-1635
Description: Retainer Ring
Ref. No. 10
Payment & Security
Payment methods
Your payment information is processed securely. We do not store credit card details nor have access to your credit card information.
