Ransburg 77844-03 Pump W/ Fasteners, 10 cc/rev
Pump W/ Fasteners, 10 cc/rev
Manufacturer: Ransburg
Part Number: 77844-03
Description: Pump W/ Fasteners, 10 cc/rev
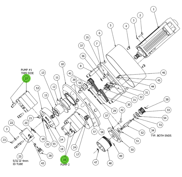
Ref. No. 16, 27; Dual Head Pump Assembly, RCS-2
- Size: 10 cc/rev
- Material: M2 Tool Steel
- Grooved: No
Includes the following components:
| Part No. | Description | QTY |
| 22-259 | PUMP 10.0CC/REV - FLUSH | 1 EA |
| 22-1285 | SEAL KIT, COLOR PUMP | 1 EA |
| 9946-120C | SCREW,HEX SOX HD CAP,3/8 THD.X 3-3/4 | 2 EA |
| 9946-128C | SCREW,HEX SOC HD CAP,3/8 THD 4 | 2 EA |
| A12304-00 | BUSHING, RCS PUMP | 2 EA |
| SI-09-06 | RCS PUMP BOLT INSTALLATION | 0 EA |
Payment & Security
Payment methods
Your payment information is processed securely. We do not store credit card details nor have access to your credit card information.
